簡介 英制電連接器,符合國軍標GJB598A-96 (MIL-C-26482)標準,采用內卡口鎖緊形式, 插座密封,有多種安裝方式,插頭有多種出線 形式。 技術特性 環境性能 工作溫度:-55℃~+125℃ 相對濕度:40℃時達95% 工作高度:海拔30000m 振動:頻率10Hz~2000 Hz加速度196m/s2 沖擊:加速度490m/s2 恒加速度:490m/s2 密封性:耐壓0.2MPa 防鹽霧,防潮濕,防霉菌性能等符合GJB598A-96標準的要求 |
 |
電氣性能 接觸電阻及額定電流
| 接觸件規格(mm) |
接觸電阻(mΩ) |
額定電流(A) |
| φ0.8 |
≤6 |
3 |
| φ1.0 |
≤5 |
5 |
| φ1.6 |
≤3 |
10 |
| φ2.39 |
≤1.5 |
20 |
| φ3.6 |
≤1 |
50 | 額定電壓、耐電壓及絕緣電阻
| 工作環境 |
額定電壓V |
耐電壓V |
絕緣電阻MΩ |
| 常溫常壓 |
500 |
1500 |
≥3000 |
| 濕熱 |
500 |
550 |
≥20 |
| 高溫 |
500 |
— |
≥500 |
| 低氣壓條件4.39KPa |
300 |
375 |
— | 射頻抗干擾衰減值
| 頻率MHz |
100 |
150 |
200 |
300 |
400 |
600 |
800 |
1000 |
| 衰減dB |
65 |
60 |
60 |
55 |
55 |
50 |
45 |
45 | 外殼間電連續性:非屏蔽≥200mΩ,屏蔽≥5mΩ 機械性能 殼體:高強度鋁合金材料,不銹鋼 非屏蔽鍍層:陽極氧化作色 屏蔽鍍層:鍍鋅彩虹色鈍化或軍綠色鈍化、化學鍍鎳、噴沙鍍鎳 絕緣體:耐熱熱塑性材料 接觸件:銅合金材料 表面鍍金 機械壽命:500次 標記、代號及意義
 表
| 符號 |
X |
Q |
P |
N |
H |
A |
| 代表意義 |
焊接膠封 |
壓接屏蔽膠封 |
焊接屏蔽膠封 |
壓接膠封 |
玻璃燒結密封 |
印制板焊接膠封 | 絕緣板安裝位置



 表1
|
殼體號 |
6 |
8 |
10 |
12 |
14 |
16 |
18 |
20 |
22 |
24 |
|
接觸件數 |
2 |
3 |
4 |
7 |
3 |
3A |
33 |
6 |
10 |
5 |
12 |
15 |
18 |
19 |
8 |
26 |
32 |
39 |
41 |
55 |
61 |
|
N |
- |
- |
- |
- |
|
W |
- |
- |
- |
- |
60 |
90 |
60 |
40 |
43 |
17 |
15 |
30 |
54 |
60 |
85 |
63 |
45 |
30 |
96 |
|
X |
- |
- |
- |
- |
210 |
155 |
92 |
90 |
110 |
90 |
165 |
152 |
- |
138 |
144 |
126 |
142 |
180 |
|
Y |
- |
- |
- |
- |
- |
27 |
184 |
- |
155 |
180 |
315 |
180 |
275 |
222 |
252 |
225 |
226 |
270 |
|
Z |
- |
- |
- |
- |
- |
295 |
273 |
- |
234 |
270 |
- |
331 |
338 |
265 |
333 |
- |
314 |
324 |
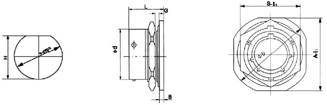
插座外形及安裝尺寸 插座外形尺寸(螺母并緊式)

|
殼體號 |
G |
d |
B |
D |
S |
A |
L |
d1 |
H |
N(min) |
N(max) |
|
|
06 |
1.57 |
3.17 |
10.60 |
2.5 |
20 |
17 |
17 |
20 |
12.5 |
11.4 |
|
08 |
12.04 |
3.0 |
27.25 |
19.3 |
23.8 |
21 |
14.6 |
13.28 |
|
10 |
15.00 |
30.5 |
22.4 |
26.95 |
21 |
17.75 |
16.95 |
|
12 |
19.00 |
34.5 |
27 |
32 |
22 |
22.5 |
20.9 |
|
14 |
22.20 |
39 |
30.33 |
35 |
21.5 |
25.7 |
24 |
|
16 |
25.41 |
41.25 |
33.3 |
38.24 |
21 |
28.85 |
27.35 |
|
18 |
28.60 |
44.6 |
36.7 |
41.5 |
21 |
32.05 |
30 |
|
20 |
6.35 |
31.71 |
3.6 |
49 |
39.8 |
46 |
26.5 |
35.02 |
33.5 |
|
22 |
35.00 |
52.24 |
43.13 |
49.24 |
28.4 |
36.94 |
|
24 |
38.20 |
55.8 |
46 |
52.5 |
41.55 |
40.5 | 插座外形尺寸(方法蘭式)

 穿墻座外形尺寸

 圓形帶電纜罩式插座外形及安裝尺寸

 方形帶電纜罩式插座外形及安裝尺寸

 插頭外形尺寸接地壓緊式電纜尾部附件

 夾線板式尾部附件

 防波抗拉式尾部附件

 彎頭護線式尾部附件

 彈簧護線式尾部附件

 Y50EX系列接點排列(裝針絕緣體插合面視圖)
| 號 數 |
8 |
12 |
16 |
20 |
22 |
| 插針直徑 |
3.6 |
2.4 |
1.6 |
1 |
0.9 |  型號對照表
|
序號 |
分類特征 |
標志代號 |
分類內容 |
|
1 |
主稱代號 |
YL |
Y |
圓形電連接器 |
|
2 |
插頭、插座類型 |
10/20 |
ZJ(K)10 |
方形法蘭安裝插座 |
|
14/24 |
ZJ(K)14 |
螺母安裝插座 |
|
16/26 |
TJ(K) |
插頭 |
|
18/28 |
無 |
普通插頭 |
|
19/29 |
ZS10 |
穿墻法蘭安裝插座 |
|
3 |
殼體表面處理方式 |
R |
X |
黑色陽極化 |
|
W |
X |
軍綠色陽極化 |
|
N |
P |
化學鍍暗鎳 |
|
Nb |
P |
化學鍍光亮鎳 |
|
B |
P |
電鍍鎘 |
|
H |
P |
電鍍黑鎘 |
|
S |
無 |
不銹鋼鈍化 |
|
Y |
無 |
灰色陽極化 |
|
4 |
接觸件類型 |
J |
J |
插針 |
|
K |
K |
插孔 |
|
5 |
尾部附件代號 |
01/21 02/22/32
03/23
04/24 05/25 |
6 2 4 5 1 3 |
直式電纜密封式 直式夾線板式 橡膠尾罩密封式 彎式電纜密封式 彎式電纜夾線板式 接地壓緊式 簡封式 |
|
6 |
絕緣板安裝位置 |
W、X、Y、Z |
W、X、Y、Z |
主鍵與輔鍵相對位置 | 更多詳情請咨詢:http://www.shazhai.cn |
| 錄入時間:2012-5-20 5:49:42 【打印此頁】 【關閉】 |